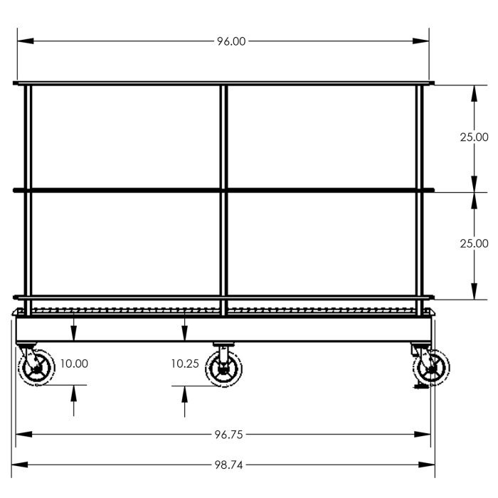
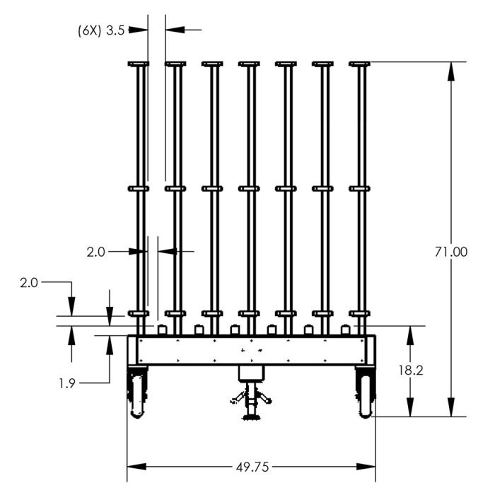
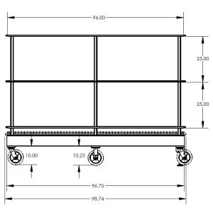
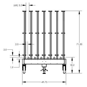
Frame Carts
MSRP: $7,495.00
- Safely transport windows and doors with varied lengths and widths.
- UHMW buffers line column frames to protect material.
- Base is lined with rollers in each slot for a safe and effortless loading process.
- (6) Slots of 3.5” width between buffers.
- Relief step at the base of each slot for 1.9” window/door flange allowance.
- Operate in small areas with zero-turn ability: utilizing (4) swivel, and (2) center rigid round tread casters.
- Ergonomic floor lock provides additional stability when used on uneven surfaces.
- Heavy duty, fully welded steel construction.
- Premium powder coat paint finish.
- Ships fully assembled, ready to use.
- Made in the U.S.A.
Valley Craft Frame Carts are designed to transport your in-process and finished materials safely and ergonomically. These carts provide product protection and operator safety, with the ability to transport windows and doors with varied lengths and widths. The roller base allows easy and protective loading/unloading. The UHMW (ultra-high molecular weight) plastic guides across the frame help prevent damage and secure product during use. The unique 6-wheel design allows the cart to turn within itself in tight spaces and narrow aisles.
These frame carts were designed to for improved safety, efficiency, and productivity while handling window and door frames. Easily transport multiple frames at once by utilizing the (6) 3.5” wide allotted slots. Each slot offers a 1.9” relief step flange allowance that ensures potential frame flanges are unimpeded and protected (when applicable). The base of each slot is lined with rollers for a safe and effortless loading process. Operate in small areas or between departments with zero-turn ability utilizing the (6) large 8” premium round tread casters: (4) swivel, (2) center rigid. The ergonomic floor lock easily operates using your foot and provides additional stability when used on uneven surfaces.
Valley Craft has collaborated with leading window, door, and glass manufacturers to provide material handling solutions that fit their unique needs. Our innovative solutions protect work-in-process and finished goods from damage while improving productivity, enhancing employee safety, and optimizing workflow organization and control. Valley Craft’s Frame Carts are constructed of fully welded heavy gauge steel, premium protective UHMW, and have a premium powder coat finish in gray. Products are shipped fully assembled, and made in the U.S.A.
You May Also Like…

























